Stampante a getto d'inchiostro

Markoprint X1JET LX Ultra

Tuttofare compatto fino a 10 mm di distanza di stampa dal prodotto e maggiore altezza di stampa

  • Distanza di stampa dal prodotto fino a 10 mm
  • Altezza di stampa fino a 25,4 mm (1 pollice), risoluzione di stampa fino a 600 dpi
  • Raggiunge velocitĂ  di stampa fino a 90 m/min
  • Struttura compatta, con un ingombro ridotto
  • Manutenzione ridotta e facilitĂ  d’uso
  • Sensore fotografico integrato per il riconoscimento del prodotto

Maggiore etichettatura e maggiore flessibilitĂ  in caso di superfici irregolari

La Markoprint X1JET LX Ultra stampa su superfici assorbenti e lisce in modo preciso ed affidabile con una distanza di stampa fino a 10 mm che offre maggiore flessibilità in caso di irregolarità. La stampante a getto d’inchiostro termico Inkjet con tecnologia a cartuccia LX combina una testina di stampa e un controller in un alloggiamento resistente in alluminio anodizzato. Ciò rende la stampante estremamente compatta e pertanto facile da integrare. La stampante Markoprint X1JET LX Ultra offre la massima libertà di pianificazione quando lo spazio è limitato, per l’integrazione in impianti di produzione esistenti o per lo sviluppo di nuovi concetti di impianti.

Rispetto alla X1JET LX, la stampa è due volte superiore. Rispetto alle varianti X1JET HP, X1JET LX consente distanze di stampa maggiori e gli inchiostri LX Ultra hanno tempi di apertura piÚ lunghi.

La testina di stampa è integrata direttamente nella cartuccia d’inchiostro. Ciò significa che ogni volta che si sostituisce la cartuccia, viene sostituita anche la testina di stampa. In questo modo si risparmiano interventi di manutenzione e di pulizia e si ottengono risultati di stampa ottimali. La Markoprint X1JET LX Ultra stampa testo, codici a barre 1D, codici 2D e grafica ad alta risoluzione ed offre risultati di stampa brillanti su prodotti e imballaggi. La marcatura è indelebile, ben leggibile e resistente.

Scatole pieghevoli in cartone stampate con la stampante a getto d’inchiostro Markoprint X1JET LX Ultra

Applicazioni

Sacco stampato con stampante a getto d’inchiostro Markoprint

ParticolaritĂ 

Distanza prodotto di 10 mm Markoprint

Distanza di stampa fino a 10 mm, raggiunge altezze di stampa fino a 25,4 mm

La maggiore distanza di stampa tra la testina e il prodotto consente una flessibilità decisamente superiore nella marcatura di materiali e superfici molto diversi. Anche su strutture irregolari, la qualità di stampa rimane costantemente elevata, senza compromessi in termini di nitidezza o brillantezza. Ciò rappresenta un grande vantaggio in settori come l’imballaggio, l’alimentare o il farmaceutico, dove marcature affidabili e ben leggibili sono imprescindibili in condizioni variabili.

Markoprint 3 tasti logici per un funzionamento intuitivo

Funzionamento intuitivo tramite 3 pulsanti logici con spie di stato a LED

La facilità d’uso è garantita da 3 tasti logici con spie di controllo a LED posizionati sulla parte superiore del dispositivo, per un controllo del sistema facile da usare ed efficiente. In questo modo anche il personale non formato sarà in grado di usare in modo sicuro la Markoprint X1JET LX Ultra ed eseguire gli ordini di stampa.

Cartuccia d’inchiostro Markoprint LX

Inchiostri LX per un tempo di apertura prolungato senza essiccazione

La tecnologia di stampa della Classe LX offre il grande vantaggio di un tempo di apertura delle cartucce d’inchiostro più lungo senza alcuna perdita di qualità. Ciò significa che la cartuccia può rimanere aperta anche durante pause di stampa per diverse ore senza che l’inchiostro si secchi o che gli ugelli si intasino. Per una pausa di stampa più prolungata, la cartuccia può essere chiusa e protetta con una clip.

Markoprint IQ Supplies

Tecnologia Smartcard

La tecnologia smart card delle cartucce d’inchiostro garantisce stampe di qualità costante. Un chip identifica il tipo di inchiostro attuale ed imposta automaticamente i relativi parametri. Non è necessario alcun intervento manuale durante la sostituzione dell’inchiostro. Viene rilevato anche il livello di inchiostro e visualizzato in tempo reale. Ciò consente una sostituzione controllata delle cartucce e previene i fermi di produzione non programmati. Grazie al supporto per cartucce Click’n Print, la sostituzione dell’inchiostro è facile e veloce.

Sensore foto Markoprint

Sensore fotografico integrato

Il sensore foto rileva con precisione quando un prodotto si trova nella posizione esatta per avviare in modo affidabile il processo di stampa. In questo modo si garantisce che ogni etichetta o stampa venga eseguita con assoluta precisione e qualità costante. Il sensore controlla continuamente il processo e contribuisce in modo decisivo a mantenere un’elevata qualità di stampa e un posizionamento accurato direttamente sulla linea di produzione.

Markoprint Coding Score

Livelli di prestazioni chiari per soluzioni di stampa flessibili e scalabili

Il Coding Score, sviluppato appositamente, semplifica la scelta e la configurazione dei sistemi di stampa Markoprint. I livelli di prestazioni – PRINT, BASIC, ADVANCED, PRO e ULTIMATE – sono chiaramente definiti, facilmente comparabili e variano a seconda del sistema. Ciò crea trasparenza nella decisione e allo stesso tempo garantisce sicurezza dell’investimento in una soluzione di marcatura che può essere ampliata in qualsiasi momento. Nuove esigenze di produzione, efficienza o sostenibilità possono essere integrate senza difficoltà, assicurando processi potenti ed economici a lungo termine.

Specifiche Tecniche
Specifiche di stampa
Print
Basic
Advanced
Pro
Tipo stampante
Thermal Ink Jet (TIJ)
Tecnologia di stampa supportata
LX
Altezza di stampa
1 - 25,4 mm
Risoluzione di stampa verticale fino a
Print
300 dpi
Basic
300 dpi
Advanced
600 dpi
Pro
600 dpi
VelocitĂ  di stampa fino a
Print
30 m/min
Basic
30 m/min
Advanced
60 m/min
Pro
90 m/min
Distanza consigliata tra testina di stampa e prodotto
1 mm
Distanza tra la testina di stampa e il prodotto
1 - 4 mm
Numero testine di stampa fino a
1
Numero massimo di linee di produzione
1
Orientamento
Da sinistra a destra, Da destra a sinistra
Funzione
Stampa superiore, Stampa laterale
Contenuti stampabili
Print
Campi di testo, Grafici BMP
Basic
Campi di testo, Grafici BMP, Indicazione ora, Campo data
Advanced
Campi di azione, Immissione di variabili, Offset data, Campo data, Indicazione ora, Contatore, Grafici BMP, Campi di testo, Codici a barre
Pro
Campi di azione, Immissione di variabili, Offset data, Campo data, Indicazione ora, Contatore, Grafici BMP, Campi di testo, Codici 2D, Codici a barre
Codici a barre
Print
Basic
Advanced
altri su richiesta, UPC-E, UPC-A, GS1 DataBar, EAN 13, EAN 8, Codice 128, Codice 39, Codice 2 di 5
Pro
altri su richiesta, UPC-E, UPC-A, Codice QR, GS1 DataBar, GS1 Matrice dati, EAN 13, EAN 8, Matrice dati, Codice 128, Codice 39, Codice 2 di 5
DBPrint
Print
–
Basic
–
Advanced
–
Pro
Stampa diretta PDF
Caratteri
Caratteri specifici del cliente, Tutti i font di Windows
Presupposti software
Processore con min. 1 GHz, Interfaccia per il collegamento della stampante, Mouse PC o touchscreen, Driver DirectX 9 o superiore con WDDM 1.0, Min. 30 GB memoria su disco rigido, 2 GB per 32-Bit o 4 GB per 64-Bit, Windows 7, 8, 10
Software Interpreter
integra Command
Spitting
Inchiostro
Colore
Nero
È possibile utilizzare allo stesso tempo al massimo un inchiostro per sistema.
Composizione
A base d’acqua
Hardware
Print
Basic
Advanced
Pro
Display
nessun display
Pannello di controllo/display esterno
Display Vivid esterno
Protezione tramite password
Print
–
Basic
–
Advanced
–
Pro
–
Sensore interno
Segnale sensore
NPN, Soglia di commutazione 7V
Segnale trasduttore di velocitĂ 
Frequenza max.150 kHz, Soglia di commutazione 7 V, Tensione 24 V, Controciclo oppure NPN
Stato/Allarme uscite
Print
4
Basic
4
Advanced
4
Pro
4
Espansione della memoria flash opzionale
–
Slot per chiavetta USB
Slot per schede di memoria SD
–
Slot PCMCIA
–
WLAN
Print
–
Basic
–
Advanced
–
Pro
–
Interfacce
Ethernet (TCP/IP), RS-232, 15 poli SUB-D (Attacco trasduttore di velocitĂ /sensore/entrate ed uscite ed alimentazione elettrica opzionale)
Informazioni prodotto
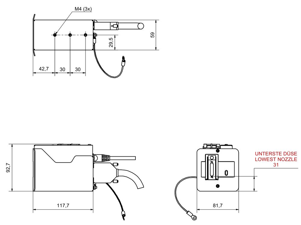
Dimensioni sistema (HxLxP)
93 x 82 x 118 mm
Peso
0,675 kg
Tipo di protezione IP
IP 40
Certificazioni
CE
UmiditĂ  relativa senza condensa
10 - 90 %
Temperatura ambiente
5 - 40°C
Tensione di allacciamento
90-240 V
Frequenza di rete
50-60 Hz
Amperaggio
1,25 A
Consumo elettrico
15 W